1. Introduktion: Døden af "One-Size-Fits-All"-æraen I årtier var kataloget kongen af ingeniørkontoret. Når en...
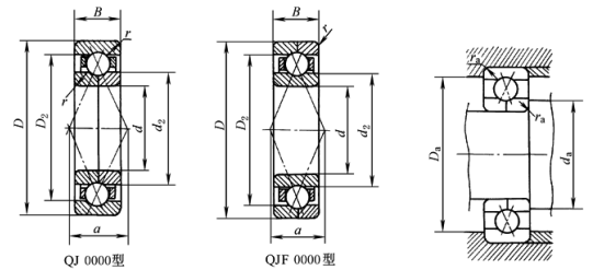
Firepunkts kontaktkuglelejer er radiale enkeltrækkede vinkelkontaktkuglelejer med løbebaner, der er designet til at understøtte aksiale belastninger i begge retninger. De er i stand til at absorbere radiale kræfter og aksiale kræfter på begge sider på grund af en adskilt indre eller ydre ring, der producerer to kontaktvinkler og den eponyme firepunktskontakt.
Sammenlignet med firepunkts kontaktkuglelejer og dobbeltrækkelejer vil den optagede aksiale plads blive væsentligt reduceret.










Download katalog